网站首页
|
人才招聘
|
资料下载
|
联系我们
今天是:
关于华印
产品规格
产品展示
新闻中心
祝大家2024年新年快乐!元旦快乐!
制作流程
产品应用
技术能力
制作流程
产品应用
技术能力
制作流程
产品应用
技术能力
制作流程
产品应用
技术能力
您当前的位置:
首页
> 产品规格 > FPC > 技术能力
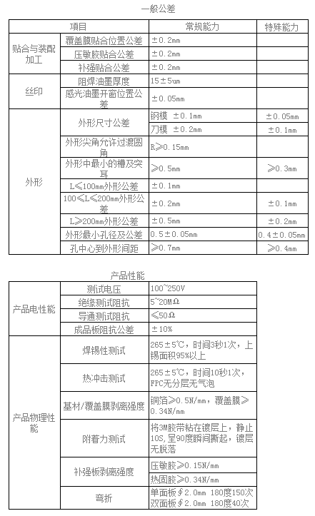
技术能力
友情链接
|
网站地图
|
在线留言
关于华印
产品中心
服务与支挿
联系我们
加入我们
主要客户
公司简介
公司规模概要
成长历程
组织机构
设备展示
企业文化及优势
主要客户
认证证书
FPC
软硬结合板
PCB单双面板
SMT
售后服务
产品资讯
销售人员
在线留言
招聘信息
Copyright (C) 镇江华印电路板有限公版权所有
苏ICP备2024110504号